当前位置:主页 > 新闻资讯 > 通知公告 > 通知公告
东营利源环保科技有限公司环保检测信息公开
来源:未知作者:admin发布日期:2019-06-05 08:29
导读:东营利源环保科技有限公司成立于2007年,注册资金7.6亿元,职工400余人,是一家以石油化工、精细化工为主要产业的现代化企业。利源环保是国家清理整顿保留的地方炼油企业,经过多
东营利源环保科技有限公司成立于2007年,注册资金7.6亿元,职工400余人,是一家以石油化工、精细化工为主要产业的现代化企业。利源环保是国家清理整顿保留的地方炼油企业,经过多年的发展,公司积极引进新项目、新技术,不断延伸产业链、提高产品质量,致力于打造一个安全、环保的炼化精细一体化大型石化产业基地。
集团公司成立以来,本着“诚信、创新、业绩、和谐”的核心经营管理理念,以质量求生存,以信誉求发展。公司现有10万吨/年芳烃精馏项目、10万吨/年液化气叠合装置项目、140万吨/年连续重整装置、催化柴油汽油质量升级项目、180万吨/年DCC联合装置项目、废水废气回收利用联合装置,配套建设了500万吨/年污水处理厂。
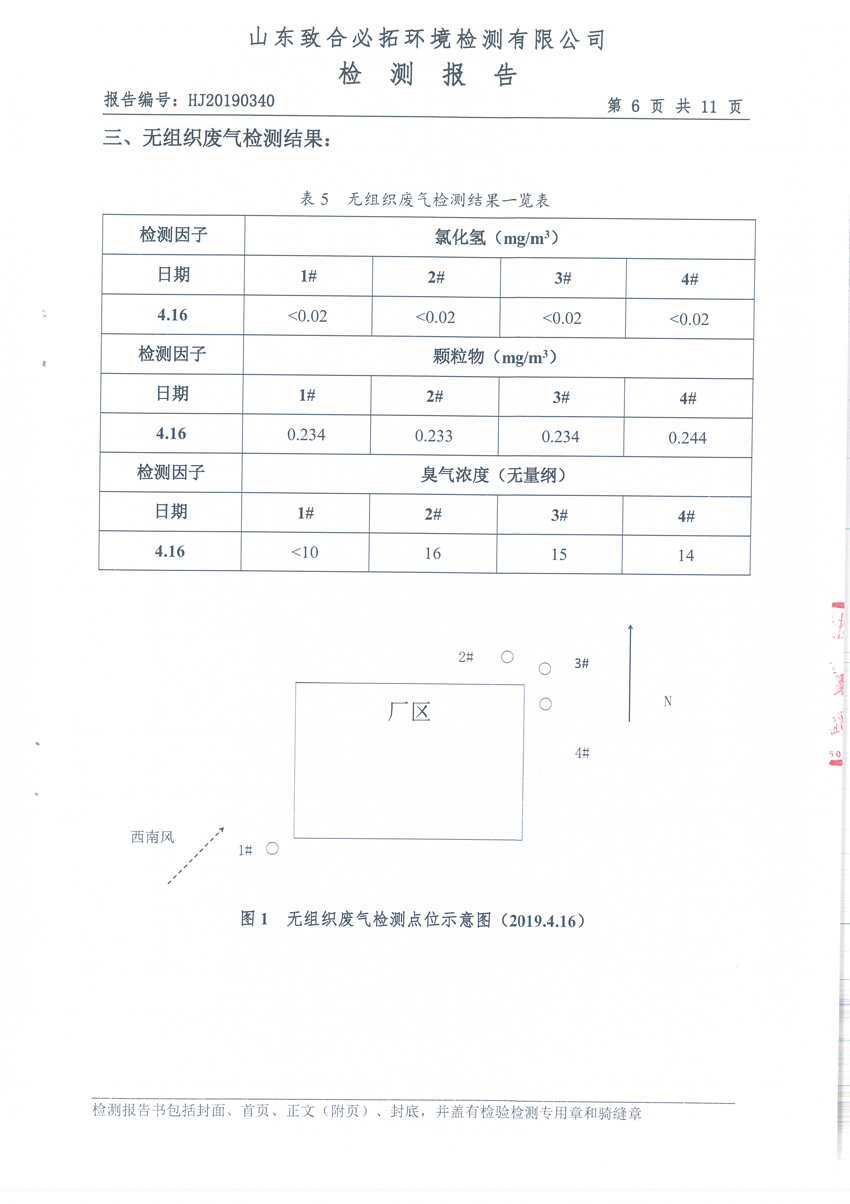
现将东营利源环保科技有限公司2019年5月及第二季度废水、废气等环境检测信息公开如下:
集团公司成立以来,本着“诚信、创新、业绩、和谐”的核心经营管理理念,以质量求生存,以信誉求发展。公司现有10万吨/年芳烃精馏项目、10万吨/年液化气叠合装置项目、140万吨/年连续重整装置、催化柴油汽油质量升级项目、180万吨/年DCC联合装置项目、废水废气回收利用联合装置,配套建设了500万吨/年污水处理厂。
现将东营利源环保科技有限公司2019年5月及第二季度废水、废气等环境检测信息公开如下:




















(责任编辑:)

